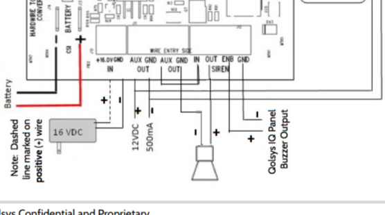
Is it better to connect the wired siren directly to the Qolsys IQ panel 2
or to the Hardwire 16 Panel. Does it matter where the siren is wired.
If it is connected to the hardwire 16, are there any additional wires that
have to be connected to the hardwire 16 from the IQ panel 2?
This would largely be determined by the existing wiring, but typically it is easier to use the Hardwire 16 as the siren wires will be found at its install point and you would not need to lengthen them.
Yes, you would need wiring between the IQ Panel 2 and Hardwire 16. The Qolsys IQ Panel 2 siren output would need to be wired to the Hardwire 16 as a trigger, and when activated, the Hardwire 16 energizes the siren. See the wiring diagram attached.
